Technical Description
- XMC module, 32 bit/66MHz PCI interface, IEEE P1386.1 and PCI 2.2 compliant
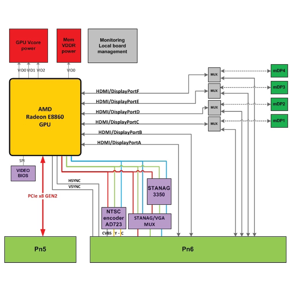
- AMD Radeon E8860 GPU with DirectX 11.1 and OpenCL 1.2 support
- 2 GB 1 GHz 128 bit GDDR5 SDRAM
- 768 GFLOPs floating point performance
- 6 independent Display outputs via Pn6
- Configuration:
VGA + 5 DisplayPorts
Single-Link DVI + 5 DisplayPorts
VGA + Single-Link DVI + DisplayPorts
2 Single-Link DVI + 4 DisplayPorts
1 Dual-Link DVI + 4 DisplayPorts - One VGA port configuration:
RGB,
STANAG3350B/C,
Composite or S-Video (NTSC/PAL) - Resolution up to 4096 x 2160 at 30Hz
- Opt. 4 Mini DisplayPorts on the front panel
- Auto-negotiation
- PCIe 2.1 (x8 lanes on Pn5)
- -40°C .. +85°C operating temperature range
- Max. 40W power consumption
- 2 years warranty
Order Information
IC-GRA-XMCc
XMC graphics board



